32.6.7.4 每条指令的状态 - PBC/PBR

保持状态的元件:由累计定时器、计数器或SET和RST指令驱动的元件。

置OFF的元件:由定时器和OUT指令驱动的元件。

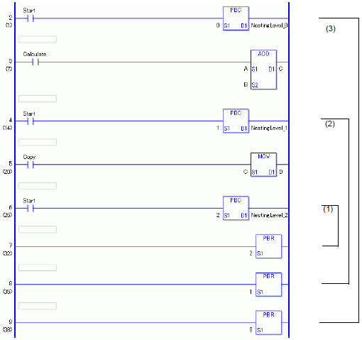
程序示例(带有三层嵌套)